Why Does My Signal Light Stay On . If i use the right turn signal, the indicator will blink as usual, but then. Causes of a turning signal not blinking or flashing too fast If you see stuck turn signal lights, test the switch,. The turn signal itself won't be on, just the indicator is on. Check for a bad connection between the turn signal switch and the flasher or between the flasher and the ignition switch. Here is a quick rundown of what it means if the light for your car turn signal is blinking fast and how to fix it. Learn about the turn signal relay’s function, symptoms of failure, replacement cost, and more through this article.
from mechanswers.com
Causes of a turning signal not blinking or flashing too fast Learn about the turn signal relay’s function, symptoms of failure, replacement cost, and more through this article. Here is a quick rundown of what it means if the light for your car turn signal is blinking fast and how to fix it. The turn signal itself won't be on, just the indicator is on. Check for a bad connection between the turn signal switch and the flasher or between the flasher and the ignition switch. If i use the right turn signal, the indicator will blink as usual, but then. If you see stuck turn signal lights, test the switch,.
Dashboard Lights Stay On (12 Most Common Causes)
Why Does My Signal Light Stay On Learn about the turn signal relay’s function, symptoms of failure, replacement cost, and more through this article. Learn about the turn signal relay’s function, symptoms of failure, replacement cost, and more through this article. Causes of a turning signal not blinking or flashing too fast Check for a bad connection between the turn signal switch and the flasher or between the flasher and the ignition switch. Here is a quick rundown of what it means if the light for your car turn signal is blinking fast and how to fix it. If i use the right turn signal, the indicator will blink as usual, but then. If you see stuck turn signal lights, test the switch,. The turn signal itself won't be on, just the indicator is on.
From cellularnews.com
Why Does My Ring Light Stay On CellularNews Why Does My Signal Light Stay On If you see stuck turn signal lights, test the switch,. Here is a quick rundown of what it means if the light for your car turn signal is blinking fast and how to fix it. The turn signal itself won't be on, just the indicator is on. If i use the right turn signal, the indicator will blink as usual,. Why Does My Signal Light Stay On.
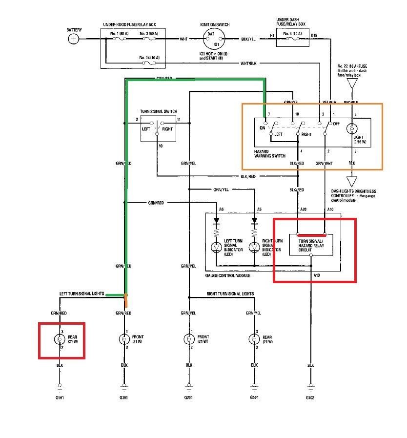
From www.fitfreak.net
Turn signal light stays on Unofficial Honda FIT Forums Why Does My Signal Light Stay On If i use the right turn signal, the indicator will blink as usual, but then. Learn about the turn signal relay’s function, symptoms of failure, replacement cost, and more through this article. If you see stuck turn signal lights, test the switch,. Here is a quick rundown of what it means if the light for your car turn signal is. Why Does My Signal Light Stay On.
From www.scottshomeimprovement.com
Why Does Shower Pull Switch Light Stay On? Scotts Home Improvement Why Does My Signal Light Stay On If you see stuck turn signal lights, test the switch,. Check for a bad connection between the turn signal switch and the flasher or between the flasher and the ignition switch. Here is a quick rundown of what it means if the light for your car turn signal is blinking fast and how to fix it. The turn signal itself. Why Does My Signal Light Stay On.
From www.youtube.com
Parking BRAKE LIGHT won't go OFF Easy Diagnosis on Honda Accord Why Does My Signal Light Stay On If you see stuck turn signal lights, test the switch,. The turn signal itself won't be on, just the indicator is on. Check for a bad connection between the turn signal switch and the flasher or between the flasher and the ignition switch. Causes of a turning signal not blinking or flashing too fast Learn about the turn signal relay’s. Why Does My Signal Light Stay On.
From www.youtube.com
[Causes & Fixes] Why Does My Turn Signal Light Stay On When My Car Is Why Does My Signal Light Stay On Causes of a turning signal not blinking or flashing too fast The turn signal itself won't be on, just the indicator is on. Learn about the turn signal relay’s function, symptoms of failure, replacement cost, and more through this article. If you see stuck turn signal lights, test the switch,. If i use the right turn signal, the indicator will. Why Does My Signal Light Stay On.
From www.dodgejourneyforum.com
Left rear turn signal light stays on Electrical, Battery & Charging Why Does My Signal Light Stay On Learn about the turn signal relay’s function, symptoms of failure, replacement cost, and more through this article. Here is a quick rundown of what it means if the light for your car turn signal is blinking fast and how to fix it. Check for a bad connection between the turn signal switch and the flasher or between the flasher and. Why Does My Signal Light Stay On.
From www.justanswer.com
2006 mazda 6. the left front and rear signal light stays on with the Why Does My Signal Light Stay On If i use the right turn signal, the indicator will blink as usual, but then. Causes of a turning signal not blinking or flashing too fast Learn about the turn signal relay’s function, symptoms of failure, replacement cost, and more through this article. If you see stuck turn signal lights, test the switch,. Here is a quick rundown of what. Why Does My Signal Light Stay On.
From mygasmagazine.com
Why does My Park Brake Light Stay On? Demystifying the Issue! Why Does My Signal Light Stay On If i use the right turn signal, the indicator will blink as usual, but then. Here is a quick rundown of what it means if the light for your car turn signal is blinking fast and how to fix it. Causes of a turning signal not blinking or flashing too fast The turn signal itself won't be on, just the. Why Does My Signal Light Stay On.
From americanwarmoms.org
Toyota Hazard Lights Wont Turn Off Why Does My Signal Light Stay On Here is a quick rundown of what it means if the light for your car turn signal is blinking fast and how to fix it. If you see stuck turn signal lights, test the switch,. The turn signal itself won't be on, just the indicator is on. Learn about the turn signal relay’s function, symptoms of failure, replacement cost, and. Why Does My Signal Light Stay On.
From www.reddit.com
One signal light stays on after key fob lock tdi Why Does My Signal Light Stay On The turn signal itself won't be on, just the indicator is on. If you see stuck turn signal lights, test the switch,. Causes of a turning signal not blinking or flashing too fast Learn about the turn signal relay’s function, symptoms of failure, replacement cost, and more through this article. If i use the right turn signal, the indicator will. Why Does My Signal Light Stay On.
From law.resource.org
HIGHWAY SAFETY CODE Why Does My Signal Light Stay On Here is a quick rundown of what it means if the light for your car turn signal is blinking fast and how to fix it. Causes of a turning signal not blinking or flashing too fast If i use the right turn signal, the indicator will blink as usual, but then. Learn about the turn signal relay’s function, symptoms of. Why Does My Signal Light Stay On.
From www.cherokeeforum.com
Turn signal later light stays on Jeep Cherokee Forum Why Does My Signal Light Stay On The turn signal itself won't be on, just the indicator is on. If you see stuck turn signal lights, test the switch,. Here is a quick rundown of what it means if the light for your car turn signal is blinking fast and how to fix it. Check for a bad connection between the turn signal switch and the flasher. Why Does My Signal Light Stay On.
From www.chevelles.com
Turn signal indicator light stays on Team Chevelle Why Does My Signal Light Stay On If i use the right turn signal, the indicator will blink as usual, but then. Here is a quick rundown of what it means if the light for your car turn signal is blinking fast and how to fix it. The turn signal itself won't be on, just the indicator is on. Check for a bad connection between the turn. Why Does My Signal Light Stay On.
From www.2carpros.com
Right Rear Signal Light Stays on Even with the Car Keys Off? Why Does My Signal Light Stay On Check for a bad connection between the turn signal switch and the flasher or between the flasher and the ignition switch. If you see stuck turn signal lights, test the switch,. The turn signal itself won't be on, just the indicator is on. Learn about the turn signal relay’s function, symptoms of failure, replacement cost, and more through this article.. Why Does My Signal Light Stay On.
From pxhere.com
Free Images orange, beacon, street light, yellow, lighting, traffic Why Does My Signal Light Stay On If you see stuck turn signal lights, test the switch,. Check for a bad connection between the turn signal switch and the flasher or between the flasher and the ignition switch. The turn signal itself won't be on, just the indicator is on. Learn about the turn signal relay’s function, symptoms of failure, replacement cost, and more through this article.. Why Does My Signal Light Stay On.
From mechanswers.com
Dashboard Lights Stay On (12 Most Common Causes) Why Does My Signal Light Stay On Causes of a turning signal not blinking or flashing too fast If you see stuck turn signal lights, test the switch,. Check for a bad connection between the turn signal switch and the flasher or between the flasher and the ignition switch. Learn about the turn signal relay’s function, symptoms of failure, replacement cost, and more through this article. Here. Why Does My Signal Light Stay On.
From www.2carpros.com
Headlights, Windshield Wipers and Turn Signals Not Working? Why Does My Signal Light Stay On The turn signal itself won't be on, just the indicator is on. Here is a quick rundown of what it means if the light for your car turn signal is blinking fast and how to fix it. Check for a bad connection between the turn signal switch and the flasher or between the flasher and the ignition switch. If i. Why Does My Signal Light Stay On.
From garagerepairelfriede55.z19.web.core.windows.net
2007 Ford Focus Wont Turn Over Why Does My Signal Light Stay On If you see stuck turn signal lights, test the switch,. Check for a bad connection between the turn signal switch and the flasher or between the flasher and the ignition switch. Learn about the turn signal relay’s function, symptoms of failure, replacement cost, and more through this article. Here is a quick rundown of what it means if the light. Why Does My Signal Light Stay On.